
農村一體化凈水設備,專業農村小型自來水廠(村鎮集中供水)水處理系統設計方案
一、方案設計總則
(一)農村一體化凈水設備,適用于農村生活飲用水(飲水鞏固提升工程)項目,并提出系統功能設計、結構、性能、安裝和試驗等技術要求。
(二)農村一體化凈水設備,符合需方所提出的水處理技術要求,并引用有關水質標準和規范條文。
(三)農村一體化凈水設備,所設計并提供的產品為符合該項目工程的優質產品。
二、設計基礎
(一)原水水質
農村一體化凈水設備,進水指標:
1、進水:河流、溪流、水庫等地表水源或部分地下水源(需檢測水樣);
2、濁度:晴時100~300NTU,雨時800~1300NTU;
3、水溫:3℃~25℃;
4、現有裝置:蓄水池;
5、水質問題:晴時水體濁度超標(內有少量泥沙、雜質)、水色發黃、輕微的異味、細菌超標;雨季時沉淀后水質渾濁發黃,泥沙量大,異味嚴重,細菌超標。

(二)設計依據
1、出水水質標準:《生活飲用水衛生標準》(GB5749-2006);
2、當規范或標準對某些專用材料不適合時,可采用材料生產廠的相關標準。
(三)設計要求
農村一體化凈水設備
1、產水用途:用于全村生活飲用+其他用途;
2、設計要求:系統進水量≥100m3/h,進水壓力:0.1~0.4Mpa;
3、系統出水:≥100m3/h(水溫25℃);
4、出水指標:濁度≤1NTU,檢測后要符合《生活飲用水衛生標準》GB5749-2006相關水質要求。
三、凈水系統設計要求
農村一體化凈水設備
1、系統要求
根據用戶提供水質、取水情況及產水要求設計。
系統配置和設置完全能夠滿足進水條件要求,以自動、節能、操作簡單、環保、耐用及安全為原則,保證系統長期穩定高效運行。
2、技術保證
一體化凈水系統產水:≥100m3/h

3、工程條件
供水系統:水量100m3/h
供電系統:380v/50hz±5%
(根據乙方統計容量,由甲方提供動力電源送至乙方這指定設備)
四、產品設計及性能說明
農村一體化凈水設備
1、工藝設計
工藝流程圖:
蓄水池水經進入設備前加入絮凝劑,在管道混合器中混合后進入凈化設備,經過混凝、斜板沉淀、曝氣溶氧、濾層過濾得到清澈的水質,在殺菌消毒后流入蓄水池,完成對原水的凈化。
2、設備配置
設備 型號 數量
YYA一體化凈水設備 YYA-100D
(100m3/h) 1臺
管道混合器 1臺
混凝劑投加裝置 XN 1臺
助凝劑投加裝置 XN 1臺
電解法次氯酸鈉發生器 CL-50 1臺
水泵 2臺
(一用一備)用戶提供
獲取方案報價
3、設備介紹
絮凝劑加藥:
為了使濾器能夠更有效的去除懸浮物,提高后續系統的過濾效果,實際加藥量需根據當時水質及絮凝試驗確定。
管道混合器:
為提高絮凝劑混合效果,系統在進入一體化凈水設備進水口附近設置1臺管道混合器,目的是更好的與水混合,保證后續系統的過濾效果,降低水的濁度;
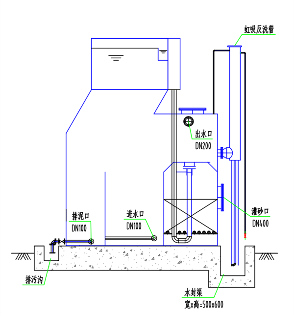
一體化凈水設備:
將絮凝、沉淀、過濾、自動反洗四個過程有機地組合于一套設備內,輔以加藥(混凝劑)、混合、消毒,即可成為一個成套的中/小型凈化水設備。
獨立的過濾系統凈化水質,自動反洗自動排污,凈化效率更高!
只要接通設備外接管道(進出水管、排污管),設備就能正常過濾出水、自動反洗排污,出水濁度保持0.4~3NTU。
設備工藝特點
(1)混合:由靜態管道混合器進行水力混合;
(2)曝氣溶氧:“瀑布跌水”方式,溢出水中有害氣體,消除異味,溶解氧氣,鮮活水質;
(3)澄清:內置斜板沉淀大顆粒污染物;
(4)過濾:采用3~9層不同介質的天然復合濾料按照不同密度、質量有序排列,截留去污98%以上;
(5)沖洗:虹吸控制反洗時間及頻率,濾層360度清洗,防止濾料層板結;
(6)排泥:采用手動閥排泥。
更多關于一體化凈水設備的相關資料,可關注公司網站(www.sdmzj.com)!
- 上一篇:FA型全自動一體化凈水器
- 下一篇:一體化凈水處理設備





