
一體化凈水器集絮凝,沉淀,排污,反沖洗,集水過濾等工藝中的精華之大成,無需人員操作而能達到單體全自動運行的系列凈水裝置,是實現水廠自動化管理的重要單元,再配以本公司生產的JY型自動加藥裝置及消毒設備,即可成為一個具有全套功能的凈水站(廠)。
1、設備概述
一體化凈水器集絮凝,沉淀,排污,反沖洗,集水過濾等工藝中的精華之大成,無需人員操作而能達到單體全自動運行的系列凈水裝置,是實現水廠自動化管理的重要單元,再配以本公司生產的JY型自動加藥裝置及消毒設備,即可成為一個具有全套功能的凈水站(廠)。
本系列一體化凈水裝置,不僅使用范圍廣,處理效果好,出水水質優良,而且耗水量少,動力消耗省,占地閩籍小,節電,節水,節人工,可省去輔助機泵及設施的新型節能新產品。

二、適用范圍
1、適用于水濁度小于3000mg/L的各類江,河,湖,水庫等為水源的農村,城鎮,工礦企業的水廠,作為主要的凈水處理裝置。
2、對于低溫,低濁,有季節性藻類的湖泊水源,有其特殊的適應能力。
3、對高純水,飲料工業用水,鍋爐用水等作前置水處理的預處理設備。
4、用于各類工業循環水系統,可有效而大幅度的提高循環用水水質。
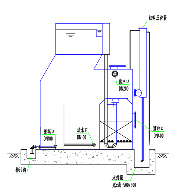
三、工作原理
一體化凈水裝置和城市供水廠的凈化流程一樣。它有:混凝池、沉淀池、過濾池、水質穩定裝置、反沖洗裝置、水泵及電氣控制柜。現分別介紹如下:
1、混凝池:投加混凝劑的原水由進水管進入混凝池內,用特制的攪拌機攪動,使水中的懸浮物和混凝劑充分接觸反應形成礬花。一般凈水裝置是采用渦流反應來使水和混凝劑混和,但效果受水量的變化而不穩定。該凈水裝置則用攪拌機混和,不受水量變化而影響效果。
2、沉淀室:水經加混凝劑混凝后形成礬花,流到設備的沉淀池內進行沉淀,沉淀池采用斜管沉淀法,經過梯形斜板沉淀室沉淀完成固液分離,沉淀下來的污泥排入泥斗。
3、過濾池:經沉淀后的水流到過濾池過濾,濾池結構:底部為布水管,中部為石英砂,上部為無煙煤。過濾速度為10m/h,最后清水流到清水池內消毒處理后飲用。過濾池反沖周期為12小時左右,反沖時間為5-10分鐘。用途
一體化凈水器適用于江、河、湖、水庫等以地表水為水源的給水工程的水質凈水,中水回用、及煤礦尾礦水、洗煤水、浴池、游泳池、洗車場、造紙、印染、電鍍和其它工業廢水的水質凈化。

四、性能優點
1、一體化凈水設備除了對一級泵房及加藥系統的管理外,凈水裝置本身從反應、絮凝、沉淀、集泥、排泥、集水、配水、過濾、反沖、排污等一系列運行程序,達到了自動運行的要求,值班人員只要定時作水質監視測定工作外,無需對凈水裝置操作管理。
2、高濃度的絮凝層,能使原水中的雜質顆粒,在其間得到充分的碰撞接觸,吸附的機率,因而能適應各種原水的水溫和濁度,雜質顆粒去除率高。在一定使用條件時,還具有除藻功能。
3、迅捷的泥渣濃縮室及可調式自動排泥系統,能保證多余的泥渣雜質及時排除,從而保證穩定的雜質顆粒去除率。
4、高效的絮凝及沉淀效果,使沉淀出水水質一直保持良好狀態。
5、新穎的集水系統及最低的集水水頭,使集水更均勻有效,不僅提高了體積利用系數,因其集水水頭極小,累積的省電效果可觀。
6、凈水系統自動化,既保證了凈水系統的高效過濾,(在原水濁度小于3000mg/L,濾后水濁度可保持在3 mg/L以下)又能自動反沖洗,無需另設反沖洗水泵或空壓機等電器設備,可節省大量的基建投資及日常運行、維修、保養費用。
7、自耗水率低約在<5%左右,對節省有限的水資源起著積極的作用。
8、占地面積小,與一般凈水構筑物相比,可節省占地<50%以上,高度在4.10米左右,室內外均可安置。
9、便于擴建、改造、再用,便于搬遷或易地再用。

五、設計參數
1、適用原水濁度:≤3000mg/L。
2、適用原水溫度:常溫。
3、凈水出水濁度:≤3mg/L。
4、沉淀區設計表面負荷:7-8M/H·M。
5、過濾區設計濾速:8-10M/H。
6、濾池沖洗強度:14-16L/S·M。
7、沖洗歷時:t=4-6mim(可調)。
8、總停留時間:T總40-45mim。
9、進水壓力:≈0.06MPa。
六、性能優化
1、除了對一級泵房及加藥系統的管理外,凈水裝置本身從反應、絮凝、沉淀、集泥、排泥、集水、配水、過濾、反沖、排污等一系列運行程序,達到了自動運行的要求,值班人員只要定時作水質監視測定工作外,無需對凈水裝置操作管理。
2、高濃度的絮凝層,能使原水中的雜質顆粒,在其間得到充分的碰撞接觸,吸附的機率,因而能適應各種原水的水溫和濁度,雜質顆粒去除率高。在一定使用條件時,還具有除藻功能。
3、迅捷的泥渣濃縮室及可調式自動排泥系統,能保證多余的泥渣雜質及時排除,從而保證穩定的雜質顆粒去除率。
4、高效的絮凝及沉淀效果,使沉淀出水水質一直保持良好狀態。
5、新穎的集水系統及最低的集水水頭,使集水更均勻有效,不僅提高了體積利用系數,因其集水水頭極小,累積的省電效果可觀。

6、凈水系統自動化,既保證了凈水系統的高效過濾,(在原水濁度小于3000mg/L,濾后水濁度可保持在3 mg/L以下)又能自動反沖洗,無需另設反沖洗水泵或空壓機等電器設備,可節省大量的基建投資及日常運行、維修、保養費用。
7、自耗水率低約在<5%左右,對節省有限的水資源起著積極的作用。
8、占地面積小,與一般凈水構筑物相比,可節省占地<50%以上,高度在4.10米左右,室內外均可安置。
9、便于擴建、改造、再用,便于搬遷或易地再用。
七、型號參數參考
|
型號 |
主體平面尺寸a*g |
|
基礎平面尺寸h*b |
|
反沖洗管尺寸及個數 |
||||
|
|
a |
g |
h |
b |
e |
f |
n |
c |
|
|
FA-10 |
1700 |
2100 |
2300 |
2300 |
350 |
700 |
3 |
200 |
600 |
|
FA-30 |
3100 |
3000 |
3200 |
3700 |
500 |
1000 |
3 |
300 |
1180 |
|
FA-50 |
3850 |
4000 |
4200 |
4500 |
500 |
1000 |
4 |
400 |
1430 |
|
FA-100 |
4600 |
6800 |
7000 |
5300 |
850 |
1700 |
4 |
500 |
1700 |
|
FA-200 |
4600 |
13600 |
13800 |
5300 |
850 |
1700 |
8 |
500 |
1700 |





